尊龙凯时

尊龙凯时人生就是搏 -官网首页
尊龙凯时人生就是搏 -官网首页

旋转讨论

首页 - 产品展示

尊龙凯时人生就是搏 -官网首页

MXQ型 单通路

型号:MXQ
外管:螺纹或法兰
特征:球面密封设计;;;; 标准碳石墨密封手艺;;;; 可替换性密封底盖;;;; 最大化轴承间距;;;; 刷新型讨论和虹吸器支持;;;; 旋转式或牢靠式虹吸器。。。。。

手艺参数:
适用介质 热油、蒸汽
最高温度 ≤220℃(蒸汽) ,,,,≤350℃(油)
最高压力 ≤1.8MPa
最高转速 20A-80A ≤250rpm; 90A-150A ≤100rpm


产品咨询 返回列表

销售效劳热线:

0595-8686 1188

尊龙凯时人生就是搏 -官网首页


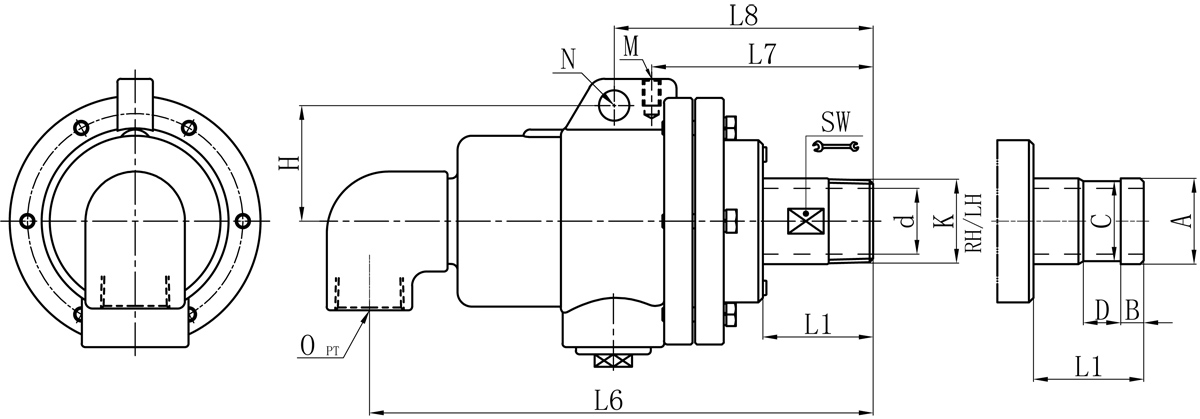
Model K O d L1 L6 L7 L8 M N H SW 法兰式外管尺寸比照表
A B C D
20A R3/4" Rc3/4" 18 46 199 96 / M10 / / 24 26 11 24 16
25A R1" Rc1" 23.5 51 212 109 / M10 / / 32 34 12 32 18
32A R1-1/4" Rc1-1/4" 30 55 245 108 124 M10 14 60 41 40 13 38 20
40A R1-1/2" Rc1-1/2" 36 62 280 133 149 M10 16 71 45 47.8 13 45 20
50A R2" Rc2" 45 71 326 150 173 M12 18 81 55 60 16 57 24
65A R2-1/2” Rc2-1/2” 58 76 368 157 183 M12 20 91 70 74 19 70 24
80A R3” Rc3” 72 87 441 187 214 M12 20 100 85 87 25 84 24

如属规格品外 ,,,,本公司可配合要求制作。。。。。
规格尺寸若有修改 ,,,,恕不另行通知。。。。。 

Copyright ?尊龙凯时 版权所有 闽ICP备05026600号 中机标准化研究院 网站建设:科伟网络

【网站地图】【sitemap】