尊龙凯时

尊龙凯时人生就是搏 -官网首页
尊龙凯时人生就是搏 -官网首页

旋转讨论

首页 - 产品展示

尊龙凯时人生就是搏 -官网首页

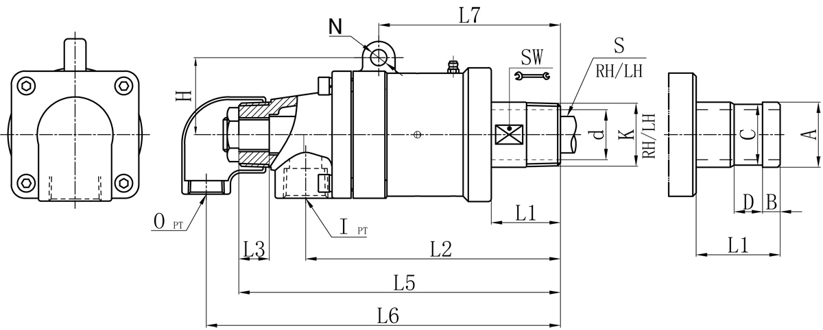
YJTX型 双通路(内管牢靠式)

型号:YJTXSG、YJTXSGF
外管:螺纹或法兰
特征:平衡式机械密封设计 ;;;; ;;; 自支持式设计 ;;;; ;;; 标准碳石墨密封设计 ;;;; ;;; 双轴承间距支持 ;;;; ;;; 单通路和双通路设计 ;;;; ;;; 完全流通设计。。。。。。

手艺参数:
适用介质
最高温度 ≤120℃
最高压力 ≤1.0MPa
最高转速

≤1500rpm


产品咨询 返回列表

销售效劳热线:

0595-8686 1188

尊龙凯时人生就是搏 -官网首页


Model K I O S d L1 L2 L3 L5 L6 L7 N H SW 法兰式外管尺寸比照表
A B C D
20A R3/4" Rc3/4" Rc1/2" Rp1/4" 18 48 147 22 180 199 107 8 37 26 26 11 24 16
25A R1" Rc3/4" Rc1/2" Rp3/8" 22 50 153 27 198 213 112 10 44 30 34 12 32 18
32A R1-1/4" Rc1" Rc1/2" Rp1/2" 30 60 176 31 224 236 129 12 55 41 40 13 38 20
40A R1-1/2" Rc1-1/4" Rc3/4" Rp3/4" 36 46 197 33 255 272 148 12 57 45 47.8 13 45 20
50A R2" Rc1-1/2" Rc1" Rp1" 46 77 240 46 313 326 178 12 72 58 60 16 57 24
65A R2-1/2" Rc2" Rc1-1/4" Rp1-1/4" 60 88 273 52 358 386 207 14 92 70 74 19 70 24

如属规格品外,,,,,,本公司可配合要求制作。。。。。。
规格尺寸若有修改,,,,,,恕不另行通知。。。。。。

Copyright ?尊龙凯时 版权所有 闽ICP备05026600号 中机标准化研究院 网站建设:科伟网络

【网站地图】【sitemap】