
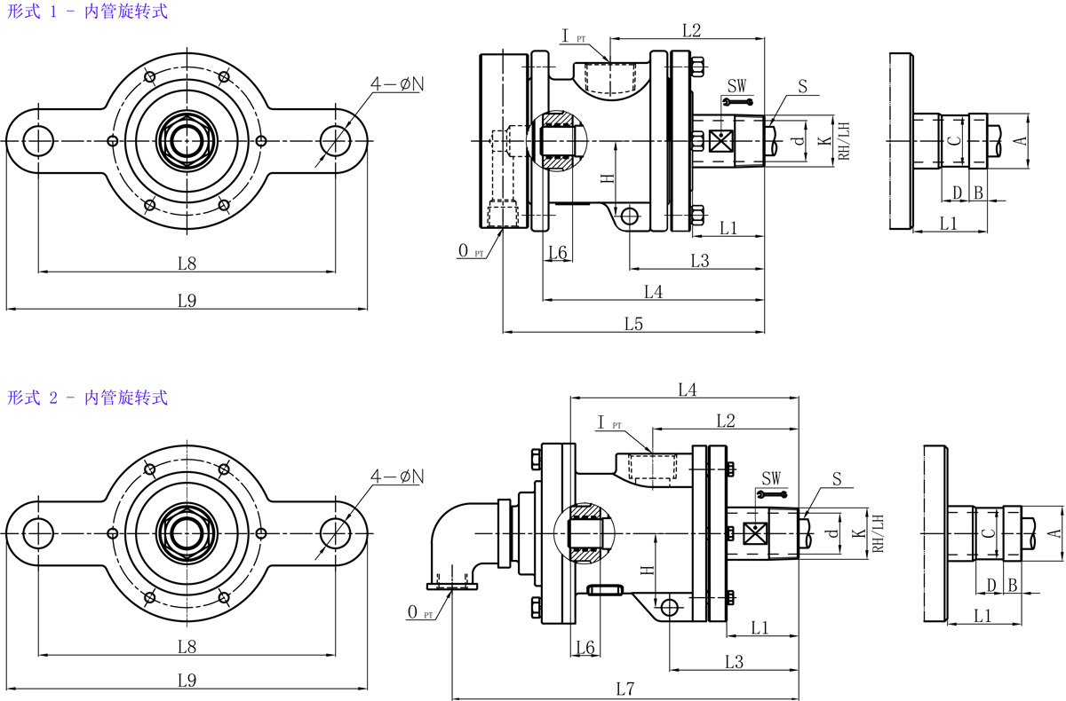
| Model | K | I | O | S1 | d | L1 | L2 | L3 | L4 | L5 | L6 | L7 | L8 | L9 | N | SW | H | 法兰式外管尺寸比照表 | |||
| A | B | C | D | ||||||||||||||||||
| 32A | R1-1/4" | Rc1" | Rc1/2" | 20 | 28 | 64 | 133 | 112 | 198 | 213 | 35 | / | 190 | 310 | 20 | 39 | 58 | 40 | 13 | 38 | 20 |
| 40A | R1-1/2" | Rc1-1/4" | Rc3/4" | 25 | 36 | 77 | 149 | 132 | 198 | 243 | 26 | / | 206 | 316 | 26 | 45 | 66 | 47.8 | 13 | 45 | 20 |
| 50A | R2" | Rc1-1/2" | Rc1" | 32 | 45 | 77 | 149 | 132 | 216 | 262 | 24 | 286 | 250 | 350 | 24 | 57 | 75 | 60 | 16 | 57 | 24 |
如属规格品外,,,,,,,本公司可配合要求制作。。。。。。。
规格尺寸若有修改,,,,,,,恕不另行通知。。。。。。。
Copyright ?尊龙凯时 版权所有 闽ICP备05026600号 中机标准化研究院 网站建设:科伟网络